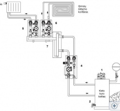
Kieto kuro katilinė (pvz., medžio briketams) su į katilą grįžtančio šilumnešio temperatūros reguliavimu ir dviem šildymo kontūrais. Siekiant užtikrinti optimalų siurblių darbą ir reikalingą cirkuliaciją šildymo sistemos kontūruose pravartu naudoti hidraulinį sumaišymo indą komplekte su paskirstymo kolektoriumi šildymo sistemos mazgams jungti.
Siūloma Oventrop įranga
- Katilo apsaugos grupė "MSM-Block" su šilumine izoliacija
- Išleidimo ventilis "Optiflex" pagamintas iš žalvario (kad neuždžiūtų dėl reto naudojimo)
- Plėtimosi indo prijungimo ventilis "Expa-Con"
- Kieto kuro katilo prijungimo mazgas "Regumat RTA-180"
- Šildymo sistemos mazgas "Regumat M3-130" su triegiu vožtuvu ir pavara
- Pastovios temperatūros palaikymo mazgas grindų sistemai "Regumat F-130"
- Hidraulinis indas ir paskirstymo kolektorius komplekte su šilumine izoliacija
