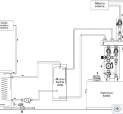
Kieto kuro katilinei su akumuliacine talpa siūlome Oventrop greito montavimo mazgus jungiamus pagal tokią schemą.
- Katilo apsaugos grupė "MSM-Block" su šilumine izoliacija
- Išleidimo ventilis "Optiflex" pagamintas iš žalvario (kad neuždžiūtų nuo reto naudojimo)
- Plėtimosi indas su prijungimo ventiliu
- Kieto kuro katilo prijungimo mazgas "Regumat RTA-180"
- Srieginės jungtys prijungimui prie kolektoriaus
- Paskirstymo kolektorius su izoliacija
- Šildymo sistemos mazgas "Regumat M3-130" su triegiu vožtuvu ir pavara
- Nepertraukiamo srauto ventilis "Aquastrom" vandentiekio linijoje
- Termostatinis reguliavimo ventilis "Aquastrom Tplus" cirkuliacinės linijos valdymui
