Produktai
Apie mus
Mūsų projektai
Video reportažai
Straipsniai
Kontaktai
Partneriai
Sistemų schemų pavyzdžiai
/
Įranga Saulės energijai
Produktų katalogas
Saulės kolektorių sistemos
Terminė Saulės energija
Saulės kolektoriai Lietuvoje
Saulės namas
Saulės kolektorių sistemų tipai
Vienos šeimos namui
Daugiabučiams
Kempingams
Viešbučiams
Žemės ūkio objektams
Baseinų šildymui
Saulės kolektoriai
Idt-Solar1 kolektoriai
Didelio dydžio kolektoriai
Termosifonai
Saulės kolektorių kainos
Vandens šildymui
Daliniam šildymui ir vandens šildymui
Reguliavimo įranga
Montavimo būdai
Baseino šildymas
Objektų pavyzdžiai
2018 metų objektai
2017 metų objektai
2016 metų objektai
2015 metų objektai
2014 metų objektai
2013 metų objektai
2012 metų objektai
2011 metų objektai
2010 metų objektai
2009 metų objektai
Video reportažai
Clage vandens šildytuvai
Vandens šildytuvų programa
MBH hidraulinis vandens šildytuvas
MCX elektroninis vandens šildytuvas
MBX Shower vandens šildytuvas su dušu
CEX-U kompakt vandens šildytuvas
CEX E-kompakt vandens šildytuvai
CEX 9 Plus E-kompakt vandens šildytuvas
DCX E-komfort vandens šildytuvai
Šilumos siurbliai ir Saulės elektrinės
Ovum šilumos siurbliai
Hotjet šilumos siurbliai
Mini šilumos siurblys oras-vanduo
Thermics šilumos siurbliai
Split šilumos siurbliai naujam namui
Saulės energija šildymui
Grindinio šildymo sistemos
SEZONO KAINOS
Įrengiama sausuoju būdu
Oventrop sauso įrengimo sistema
Maincor sauso įrengimo sistema
Su gumbuota plokšte
Su lygia plokšte
Itin plona konstrukcija
Reguliavimo įranga
Dideliems plotams
Mažiems plotams
Vonios kambariui
Termostatai grindims
Termostatai grindiniam šildymui
Radijo termostatai
Laidiniai termostatai
Protingo namo sistema
Grindjuosčių sistemos
Grindjuosčių profiliai HZ
Radiatorių prijungimo mazgai
Profiliai stovams uždengti
Šildymo sistemų renovacija
Sistemų termostatai
Sistemų balansavimas
Balansiniai ventiliai Cocon QTZ
Balansiniai ventiliai Hydrocontrol
Buto šilumos mazgai
Namo silumos mazgai
Renovaciniai radiatoriai
Vonios kambario renovac.
Vonios radiatoriaus keitimas
Šiltų grindų įrengimas
Kombinuoti mazgai šild. grindims
Renovacijų pavyzdžiai
Saulės kolektoriai daugiabutyje
Šildymo sistemų renovacija
Katilinių įranga
Akumuliacinės talpos
Reflex H(HF).../R
Reflex H(HF.)../1;2
Reflex HC.../1;2
IDT-AKU akumuliacinės talpos
Šilumos kaupiklis Regucor
Tūriniai vandens šildytuvai
Reflex AB(AF).../1 ir AF.../1-M
Reflex AC.../1
Reflex AL.../R;R2;R3
Reflex AB(AF).../2
Reflex AH...1;2
Katilinių mazgai
Vandens šildymo mazgai
Geriamojo vandens įranga
Namo šilumos mazgai Regudis H-HT
Termostatai, reguliatoriai, valdikliai
Radiatorių termostatai
Sistemų valdikliai
Šildymo sistemų valdikliai
Šildymo-Saulės kol. sist.valdikliai
Saulės kol. sistemos valdiklis
Vieno kontūro valdikliai
Kelių kontūrų valdikliai
Laisvai programuojami valdikliai.
Patalpų klimato valdymas
Laidiniai termostatai
Radijo termostatai
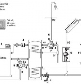
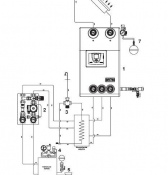
Sistemų schemų pavyzdžiai
Įranga Saulės energijai
Standart k.v. ruošimui
Dvišlaitė kolektorių sist.
Su Regusol X
Su centriniu kaupikliu
Su Regusol X ir kaupikliu
Įranga dujinei katilinei
Regumat taikymas
Su šilumokaičiu grindims
Įranga kieto kuro katilinei
Kieto kuro kat. su akumuliacija
Kieto kuro kat. su hidr.indu
Šildymas židiniu
Marijonų g. 31
Marijonų g. 31 šventė
Renovacijos nauda
Parodos
Straipsniai
Apskaitos metodas daugiabučiams naudojantiems Saulės kolektorius
Saulę „įdarbinusių“ daugiabučių sąskaitos šokiruoja net specialistus
Vandenį šildo Saulė
Dviguba apskaita Saulės jėgainėms
Tinkamiausias šildymo sistemos tipas
Parama daugiabučių renovacijai
Energinis efektyvumas
Įranga Saulės energijai
Standart k.v. ruošimui
Dvišlaitė kolektorių sist.
Su Regusol X
Su centriniu kaupikliu
Su Regusol X ir kaupikliu
Jei turite klausimų, rašykite mums
© 2026 UAB „IDEATHERM“. Visos teisės saugomos.
Dizainas:
Puslapiai.eu. Svetainëje naudojama MegaTVS.